
Sinds 2016 leveren wij op projectbasis ook Paladex buizen. Deze met staal versterkte wikkelbuizen zijn gemaakt van polyethyleen (PE), en zijn met hun hoge ringstijfheid (SN16) twee keer sterker dan de veelgebruikte SN8 buizen.
De Paladex buizen zijn uitermate geschikt voor het opvangen, bufferen en eventueel laten infiltreren van grote volumes afval- en/of regenwater in de utiliteitsbouw, gemeentelijke projecten en agrarische sectoren zoals bijvoorbeeld wateropslag voor de tuinbouw.
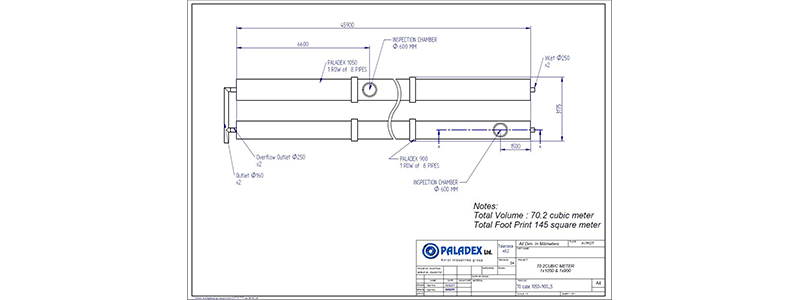
De buizen zijn standaard voorzien van mof en spie en zijn leverbaar in verschillende lengten en diameters van 300mm tot 1600mm inwendig. Door deze grote diameters is het nu mogelijk snel veel volume aan te leggen. Door de projectspecifieke aanpak kan er optimaal gebruik worden gemaakt van het beschikbare oppervlak voor een zo groot mogelijk volume.
Door duidelijke uitwerking op voorhand en goed overleg hierover, kan de configuratie precies zo worden uitgevoerd als gewenst. Door de plaatsing van toegangschachten op bereikbare plaatsen, kan het systeem perfect worden gereinigd en geïnspecteerd, zodat de optimale werking kan worden gegarandeerd.
Paladex produceert al meer dan vijftien jaar de meest innovatieve leidingsystemen.
De unieke productietechnologie van medium- en grote diameter buizen zorgt ervoor dat de buizen hoge mechanische kracht hebben en laag zijn in gewicht. Dat maakt het transport en de installatie een stuk gemakkelijker.
In opdracht van Aannemersbedrijf Oskam uit Utrecht heeft Van Walraven in november 2016 voor de verbouwing van een Albert Heijn vestiging in Zeist de infiltratievoorziening gedimensioneerd en geleverd. Hiervoor is eerst uitgerekend hoe groot de buffercapaciteit moest zijn. Het te bufferen volume is bepaald aan de hand van het dak- en verhardingsoppervlak en berekend met behulp van de geldende regenwaternormen.

De aannemer heeft vervolgens voor de Paladex oplossing gekozen vanwege de aanzienlijke kostenbesparing door de kortere bouwtijd. Deze tijd werd gewonnen omdat er tijdens de aanleg slechts 16 buizen in elkaar geschoven hoefde te worden, in plaats van 340 infiltratie kratten te plaatsen. Doordat beide buizen perfect bereikbaar zijn vanuit de schacht op de buis, is het Paladex systeem ook eenvoudig in onderhoud in de gebruiksfase.

De buizen zijn op dit project voorzien van gaatjes van 9mm en daarna rondom in een bed van 20/40 menggranulaat gelegd. Aan de bovenzijde en beide zijkanten is dit bed middels een vlies gescheiden van het omliggende zand. Aan de onderzijde is dit doek niet doorgetrokken om eventueel dichtslibben in de toekomst te voorkomen.
Door de opbouw met 20/40 puin ontstaat er een infiltratiekoffer van 48m1 lang, 1.4m1 hoog en 3.3m1 breed. Inclusief de buis heeft dit een netto volume van ruim 100m3!
Doordat er geen geotextiel direct om de buis zit èn doordat de binnenzijde van de buis perfect te reinigen is, kan deze voorziening niet verstoppen en zal de Albert Heijn hier met minimaal onderhoud decennia lang ontzorgd zijn van hun hemelwater.
Naast Paladex buizen, heeft Van Walraven op dit project ook de volgende artikelen geleverd:
Blijf op de hoogte van (product)nieuws & aanbiedingen
Inschrijven nieuwsbriefNijverheidsweg 26
3641 RR Mijdrecht
Nederland
0297 - 30 00 00
verkoop@vanwalraven.com






















Deze website maakt gebruik van verschillende soorten cookies. Sommige cookies worden geplaatst door diensten van derden die op onze pagina's worden weergegeven. Zie ook onze cookieverklaring.